Diese Seite hat BETA Status.
Ziel: Technische Details und Anleitungen zum Bau eines Tempomaten, oder Geschwindigkeitsbegrenzers
Eingestellt: 14.10.2011 von Inoculator
Letzte Aktualisierung: 25.10.2011
Den Prolog bitte erst löschen, wen der Artikel Releasequalität hat.
Bei älteren Modellen ist die Geschwindigkeitseinstellung unzureichend -gerade für die 45km/h Zulassungen.
Eine Modernisierung geht hier nur über die teilweise schlecht dokumentierten und teuren neueren Versionen der Begrenzerplatine.
Die Idee ist eine einfache, günstige und für alle Modelle einsetzbare Begrenzung zu entwickeln.
Die Projektdaten (Designs, Dokumentationen, Konzepte) sind OpenSource/OpenHardware. Nachbau, Verwendung und Veränderung ist ausdrücklich erlaubt ohne um Erlaubnis zu fragen und ohne Gebühr zu zahlen. Der Author kann jedoch für keine Schäden haftend gemacht werden. Anpassungen und Verbesserungen sollen wenn möglich in das Projekt zurückfliessen.
Die Schaltung basiert auf einem einfach OP AMP (Operationsverstärker) LM358.
Auf der Tachoplatine befindet sich ein F/V Wandler (Frequency to Voltage), welcher die Impulse des Magnetfeldsensors in ein Spannungssignal umwandelt.
Aus eigenen Messungen konnte ich ein Signal von 0,03Vh/km ermitteln, was zu einem Fenster von 0 - 2V bei 0 bis 60km/h führt.
Dieses Signal greife ich ab und führe es in die Schaltung, welche als PID-Regler geplant ist.
Am Ausgang des Reglers wird ein Optokoppler angesteuert (KB817-C). Ich möchte vermeiden, daß Fahrpotisignal an irgendeiner Stelle mit meinen Schaltungen elektrisch zu koppeln und der Einsatz dieses OK hat sich bei der ersten Version meines Geschwindigkeitsbegrenzers bereits bewährt.
Leider habe ich im Netz nur schnelle Regler als Beispiel gefunden, so daß ich mich an die Anteile Kp, Ki und Kd noch heranarbeiten muss.
Der Übertrager ist so berechnet:
Mit Stand 17.10.2011 habe ich Kp = 10,045, Ki = 0,045 und Kd = 1.
Der Ausgang des Curtis arbeitet mit einer Konstantstromquelle. Das Spannungssignal bei 5kOhm liegt bei 5V. Daraus resultiert ein Konstantstrom von 1mA. Über den Verstärkungsfaktor des OK kann ich nun den Steuereingang über eine Spannung von 0 bis 12V auf den benötigten Strom umrechnen. Über den Vorwiderstand kann man später auch das Regelfenster des Reglers anpassen. Momantan gehe ich von 100% des Stellbereiches aus. Um den Regler weicher zu machen, kann man auch nur 50% planen. Im Einzelnen muss man das später noch sehen.
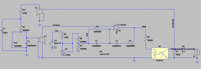
Als Simulation verwende ich LTSpice. Die Software bietet einen guten und kostengünstigen Weg sich an die Praxis heranzurechnen.
In meinem Falle habe ich eine komplette Regelkette aufgebaut, bei der ich über hilfskreise die Masseträgheit des EL simuliere.
Links die Quelle E2 bis zu E1 stellt das CityEL mit seinem Curtis dar. Es wird zunächst davon ausgegangen, daß das Fahrpedal voll durchgetreten ist. Die Konstantstromquelle I1 übernimmt dabei die 1mA am Poti. V1 sind die 12V vom DC/DC.
Die Feedbackleitung stellt die durch E2 entkoppelte Strecke zum Curits dar.
Über R11 wird zunächst C4 geladen. Parallel dazu über R9 der C3. R9 und C3 sind die Massebeschleunigung und simulieren die Trägheit beim Gasgeben.
R10 dient zum Entladen von C3, wenn „Gas“ weggenommen wird.
Da das EL nicht apprupt verzögert, sondern auch beim lösen des Pedals noch nachläuft, tritt an dieser stelle C4. Seine Ladung erhält das „Gas“ noch ein wenig, wenn über die Feedbackleitung das Signal abfällt. E1 stellt somit den Magnetsensor und den Frequenz-Volt-Wandler dar.
UTacho ist das Signal, welches an Pin4 des Wandlers abgegriffen werden kann.
Natürlich ist die Realität viel komplexer, aber für diesen Fall soll das reichen.
R8 und R6 sind das 1Mohm Poti, mit der die maximale Geschwindigkeit vorgewählt werden kann. Ich habe in der Simulation einen beliebigen Wert gewählt, der dem oberen Geschwindigkeitsband des ELs entspricht.
Die Bauteile im LTSpice entsprechen nicht unbedingt den tatsächlichen Bauteilen. Dieses hat aber nur minimale Auswirkungen auf das Regelverhalten.
R2, C2, C1 und R1 sind die Bauteile, welche die Reglerkennlinie festlegen.
R3 dient als Schutzwiderstand für den Optokoppler U2.
Hier mal der Output von LTSpice. Grün = Geschwindigkeit; Rot = Gaspedal;Blau = Regelereingriff; Türkis = Speedlimit:

Bei 0,2sec wird Vollgas gegeben (rot = 5V)
Das EL gewinnt Fahrt (grün beschleunigt)
Bei 2,5sec wird die Topspeed erreicht und der Regler steuert auf (blau).
Das Gaspedal wird elektronisch abgeregelt (rot sinkt)
Nun folgen zwei kleine Schwingungen, bis das EL dann auf Topspeed stabilisiert.
Ich arbeite immer noch bedrahtet und so sind auch auf der Platine wenige aber dafür anfassbare Bauteile zu finden. Es handelt sich um eine 25mm x 45mm einseitige Anfertigung. Auf der einen Seite sind die beiden Adern, welche an den Fahrsignalen angeschlossen werden, auf der Anderen die 3 Signale +12V, Masse und Tacho (Pin4).
Auf dem Prototypen habe ich noch keine Stecker angebracht, da ich mir über weitere Integration noch nicht klar bin.

Hier ein Bild des aktuellen Prototypen:

In dieser Datei befinden sich die ExpressPCB Dateien und eine erweiterte LTSpice Simulation, wer also Spaß am Nachbau hat, bitte schön:
cruisecontrol.zip
Einbaubilder:
