Benutzer-Werkzeuge

Webseiten-Werkzeuge


shunt

Dies ist eine alte Version des Dokuments!


Inhaltsverzeichnis

Start | Fahrzeuge | CityEl | CityEl Technik | CityEl Elektrik | CityEl Umbauten | CityEl Reparaturen | CityEL Links | Wissenswertes

Shunt

Der Lade-Shunt im CityEl (15A/50mV = 3.33mV/A) ist ein niederohmiger (0.00333Ω) elektrischer Widerstand, der sich am Boden des CityEl unter der Elektronik befindet, die unter dem Sitz liegt. Er dient zur Messung des Ladestromes. Ein weiterer beim Curtis dienst zur Messung des Fahrstromes: Diagnosestecker unter dem Sitz Pin 13 und 14. Grundsätzlich kann an einem Shunt der Strom gemessen werden, dessen Verbraucher über diesen Shunt angeschlossen sind.

Für Berechnungen: U/I=R also z.B.: 0.05V/15A=0.00333Ω

2850.jpg ASCII

Mit dem Wegfall des Kapamessers war Citycom (www.CityEl.de) der Meinung, daß auch der Ladestromshunt nicht mehr benötigt wird (obwohl er zur Kontrolle des Ladeverhaltens sehr hilfreich ist). Bei neueren Fahrzeugen ( ca ab. 1999/2000) wird daher kein Ladestromshunt mehr eingebaut und die Messpins sind nicht mehr belegt.

Wie man den Shunt selber baut, findet Ihr unten. Die entsprechenden Anschlüsse scheinen teilweise noch vorhanden zu sein, so dass ev. nur noch der Shunt selber eingebaut werden müsste.

Achtung: Wenn eine hohe Genauigkeit erwünscht ist, muss der Shunt aus einem Material bestehen, dessen Widerstand nicht temperaturabhängig ist.

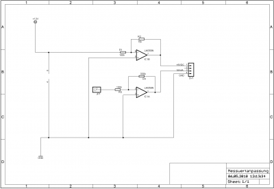
Messwertanpassung

Die verbreiteten Digitalen Messanzeigen mit 200mV Messeingang und 9V Spannungsversorgung sind für den direkten Einsatz nicht geeignet. Sowohl das Signal vom Shunt als auch die Versorgungsspannung müssen angepasst werden.

Eine mögliche Umsetzung ist die Verwenudung eines einfachen Operationsverstärkeers als P-Regler.

Es folgte ein UNGETESTETER ENTWURF -Stand: 06.05.2010

Zunächst wird der LM358 mit 12V DC vom DC/DC Netz versorgt. Über einen einfachen Verstärker mit Faktor 0,75 wird aus 12V 9V mit max. 20mA belastbar.

Der Wesswert vom Shunt gegen Masse wird mit 3,3 verstärkt. Also aus 0,3mV/A werden 1mV/A.

Diese Schaltung ist noch nicht gestestet.

Artikel aus:

http://de.wikipedia.org/wiki/Shunt

Ein Shunt oder Nebenschlusswiderstand ist ein meist niederohmiger elektrischer Widerstand, der bei der Messung von großen Strömen verwendet wird.

Strommesser sind meist nur für kleine Ströme geeignet. Außerdem ist es unpraktisch, die Leitungen, durch die der Strom fließt, zum Messgerät und zurück zu führen. Daher fügt man an beliebiger Stelle im Stromweg einen niederohmigen Widerstand (Shunt) ein und misst über eine Vierpunktkontaktierung den Spannungsabfall über den Widerstand mit einem empfindlichen Spannungsmesser, der auch über längere Leitungen an anderer Stelle angebracht werden kann.

Die Berechnung des Shunts erfolgt nach dem ohmschen Gesetz. Falls der Strom, der durch den Spannungsmesser fließt, nicht vernachlässigbar klein ist, muss er bei der Berechnung berücksichtigt werden.

Zur Messung hoher Ströme sind Shunts mechanisch speziell aufgebaut, beispielsweise als Metallband-Widerstände mit kräftigen Schraubkontakten für den Mess-Stromkreis und mit zwei kleineren Anschlüssen für das Messgerät. Häufig sind Shunts auch direkt in den Messgeräten eingebaut.

shunt.1273141576.txt.gz · Zuletzt geändert: 2010/05/06 10:26 von inoculator